NNC68AVL(JQX-13F) Genel Amaçlı Röle |
| ||||
Model ve Açıklama | |||||
NNC68A V L (JQX-13F) - 2C 12A DC12V Bobin voltajı Nominal Yük Temas etmek L:LED(Opsiyonel) Z:Test Butonu(Opsiyonel) Modeli |
| ||||
★İletişim formu: H=HAYIR, D=NC, Z=NO&NC | |||||
Şartname | |||||
Boyut | 27,3 mm*21 mm*35mm | ||||
İletişim Özelliği | Biçim | 2Z(DPDT);2H(DPST-NO);2D(DPST-NC) | |||
Nominal yük | 12A | ||||
Maksimum anahtarlama voltajı | 240VAC/28VDC | ||||
Kontak direnci | ≤100mΩ | ||||
Malzeme | Ag Alaşımı(AgSnO2) | ||||
Elektrik ömrü | ≥1*105 | ||||
Mekanik ömür | ≥1*107 | ||||
Çalışma gerilimi (23°C) | DC:≤75%*Anma gerilimi, AC:≤%80*Anma gerilimi | ||||
Serbest bırakma gerilimi (23°C) | DC:≥%10*Anma gerilimi, AC:≥30%*Anma gerilimi | ||||
Maksimum voltaj (23°C) | %110*Nominal gerilim | ||||
Cyağ voltajı | DC6-220V, AC6-380V (Özelleştirmeye izin verilir) | ||||
Bobin gücü | DC: 0,9W, AC: 1,2VA | ||||
Alma vakti | ≤15ms | ||||
Yayınlanma zamanı | ≤10ms | ||||
Dielektrik gücü | Arasında aynı kutbun açık kontakları | 1 dakika boyunca 1000VAC | |||
Arasında farklı kutupların kontakları | 1 dakika boyunca 1000VAC | ||||
Kontaklar ve bobin arasında | 1 dakika için 1500VAC/1 dakika için 4500VAC | ||||
Yalıtım direnci | ≥100mΩ(500VDC) | ||||
Ortam sıcaklığı | -40°C ~ 85°C | ||||
Ortam nemi | %45-%75 bağıl nem | ||||
Atmosferik basınç | 86-106KPa | ||||
Şok direnci | 10G (sinüzoidal yarım dalga darbesi: 11 ms) | ||||
Titreşim direnci | 10-55Hz (çift genlik: 1,5 mm) | ||||
Kurulum | DIN Raylı PCB veya Soket | ||||
Ağırlık | Yaklaşık.35g/adet | ||||
Paketleme | İçinde kağit kutu bulunan karton | 600PCS / Karton, GW: 21KG, Kuzeybatı 20KG, Boyut(mm):330×310×345 | |||
Boyut | 27,3 mm*21 mm*35mm | ||||
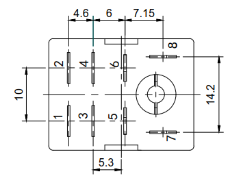
Bağlantı Şeması ve Alttan Görünüm | |||||
Performans Grafiği | |||||
NNC68AVL(JQX-13F) Genel Amaçlı Röle |
| ||||
Model ve Açıklama | |||||
NNC68A V L (JQX-13F) - 2C 12A DC12V Bobin voltajı Nominal Yük Temas etmek L:LED(Opsiyonel) Z:Test Butonu(Opsiyonel) Modeli |
| ||||
★İletişim formu: H=HAYIR, D=NC, Z=NO&NC | |||||
Şartname | |||||
Boyut | 27,3 mm*21 mm*35mm | ||||
İletişim Özelliği | Biçim | 2Z(DPDT);2H(DPST-NO);2D(DPST-NC) | |||
Nominal yük | 12A | ||||
Maksimum anahtarlama voltajı | 240VAC/28VDC | ||||
Kontak direnci | ≤100mΩ | ||||
Malzeme | Ag Alaşımı(AgSnO2) | ||||
Elektrik ömrü | ≥1*105 | ||||
Mekanik ömür | ≥1*107 | ||||
Çalışma gerilimi (23°C) | DC:≤75%*Anma gerilimi, AC:≤%80*Anma gerilimi | ||||
Serbest bırakma gerilimi (23°C) | DC:≥%10*Anma gerilimi, AC:≥30%*Anma gerilimi | ||||
Maksimum voltaj (23°C) | %110*Nominal gerilim | ||||
Cyağ voltajı | DC6-220V, AC6-380V (Özelleştirmeye izin verilir) | ||||
Bobin gücü | DC: 0,9W, AC: 1,2VA | ||||
Alma vakti | ≤15ms | ||||
Yayınlanma zamanı | ≤10ms | ||||
Dielektrik gücü | Arasında aynı kutbun açık kontakları | 1 dakika boyunca 1000VAC | |||
Arasında farklı kutupların kontakları | 1 dakika boyunca 1000VAC | ||||
Kontaklar ve bobin arasında | 1 dakika için 1500VAC/1 dakika için 4500VAC | ||||
Yalıtım direnci | ≥100mΩ(500VDC) | ||||
Ortam sıcaklığı | -40°C ~ 85°C | ||||
Ortam nemi | %45-%75 bağıl nem | ||||
Atmosferik basınç | 86-106KPa | ||||
Şok direnci | 10G (sinüzoidal yarım dalga darbesi: 11 ms) | ||||
Titreşim direnci | 10-55Hz (çift genlik: 1,5 mm) | ||||
Kurulum | DIN Raylı PCB veya Soket | ||||
Ağırlık | Yaklaşık.35g/adet | ||||
Paketleme | İçinde kağit kutu bulunan karton | 600PCS / Karton, GW: 21KG, Kuzeybatı 20KG, Boyut(mm):330×310×345 | |||
Boyut | 27,3 mm*21 mm*35mm | ||||
Bağlantı Şeması ve Alttan Görünüm | |||||
Performans Grafiği | |||||